氣缸式空氣振動器BVP-40S BVP-30S氣動振動器BVP-60S

產品名稱:氣缸式空氣振動器BVP-40S BVP-30S氣動振動器BVP-60S
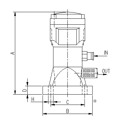
產品說明:
(連續高頻振動)BVP-30S BVP-40S BVP-60S系列飛馳品牌

空氣錘VP-30s/VP-40s VP-60s系列往復振打器,連續沖擊,另外對于艙壁,油管,煤管,料倉堵塞粘壁用此款效果理想。

產品設計合理,質量可靠,國家專利號;ZL 201 9306 53803.0





BVP-30S BVP-40S BVP-60S

  • 下一條信息: 氣缸式空氣振動器BVP-40S/飛馳原裝BVP-60S氣動振動器BVP-30S/生產廠家
  • 上一條信息: 空氣振動器 BVP30C氣動振打器BVP 40C 60C氣動振動器VP30C VP-40C VP60C VP-40S VP-30S VP-60S